调速电动机 / 无刷电动机 无刷电动机的构造与工作原理
无刷电动机的结构
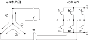
无刷电动机的结构包括用于检测转子位置的磁性元件或内置光学编码器。这个位置检测器向驱动电路发送信号。电动机绕组是三相星形接法。此外,转子使用永磁体。
检测用的磁性元件使用霍尔IC。在定子的内侧配置了3个,转子转动时,霍尔IC就会输出数字信号。
无刷电动机的驱动方法
电动机绕组连接有用于开关的晶体管,由6个晶体管构成变频器。上下晶体管交替ON-OFF,按照一定的顺序改变绕组电流的方向。下面解释其旋转机制。如下图所示的晶体管开关序列,在步骤①中,晶体管Tr1和Tr6处于ON状态。这时,绕组电流从U相流向W相,U相是N极,W相是S极,进行励磁。这样,转子旋转30°。重复这个动作12次,转子就会旋转1圈。
各晶体管的开关序列
| ① | ② | ③ | ④ | ⑤ | ⑥ | ⑦ | ⑧ | ⑨ | ⑩ | ⑪ | ⑫ | ⑬ | |
|---|---|---|---|---|---|---|---|---|---|---|---|---|---|
| Tr1 | ON | ON | ON | ON | ON | ||||||||
| Tr2 | ON | ON | ON | ON | |||||||||
| Tr3 | ON | ON | ON | ON | |||||||||
| Tr4 | ON | ON | ON | ON | |||||||||
| Tr5 | ON | ON | ON | ON | |||||||||
| Tr6 | ON | ON | ON | ON | ON | ||||||||
| U相 | N | − | S | S | − | N | N | − | S | S | − | N | N |
| V相 | − | N | N | − | S | S | − | N | N | − | S | S | − |
| W相 | S | S | − | N | N | − | S | S | − | N | N | − | S |
无刷电动机的控制方法
无刷电动机的驱动电路如图所示,与电动机连接,大致分为6个模块。
电源电路(转换器部分)
电源电路将商用AC电源的交流电压通过二极管桥整流,并通过电容器平滑转换为直流电压。直流电压供给输出电路,用于驱动电动机。
对于DC电源输入的无刷电动机,没有电源电路。直流电压直接从直流电源供给输出电路。
调速器
调速器比较速度指令和速度转换器输出的电动机实际速度值,输出电压指令,使电动机转速遵循速度指令。
使用速度指令和电动机实际速度值信息的控制系统称为速度环。
速度转换器
速度转换器将霍尔IC输出的频率转换为电动机实际速度值,输出给速度控制器。
三相无刷电动机有3个霍尔IC,对于每一对N极和S极的转子磁极,输出3个脉冲信号。通过检测脉冲信号的上升沿和下降沿,可以获得6个信号。
励磁信号发生器
励磁信号发生器通过向电压控制器发送指令,控制输出回路中6个开关元件的导通状态。
如图所示,通过组合电动机内部配置的霍尔IC(Ha、Hb、Hc)的输出信号,检测转子磁极角。根据旋转方向指示,指示电压控制器连接到产生转矩的绕组的开关元件。
电压控制器
电压控制器向由励磁信号发生器指示的输出电路的开关元件输出信号,以按照调速器指令的电压施加。
输出电路(变频器部分)
输出电路根据电压控制器的指令对电动机绕组进行PWM控制。