AC电动机 感应电动机的构造与工作原理

感应电动机的构造

以下是感应电动机的基本构造。

AC电动机的构造

感应电动机的工作原理

感应电动机是通过电磁感应作用产生旋转力的电动机。
在东方马达销售的AC小型标推电动机中,可逆电动机、力矩电动机、带电磁制动器电动机、防尘·防水电动机和带离合器·制动器电动机等电动机是基于特性和附加功能有所差异,而动作原理与感应电动机相同。

用阿拉戈圆盘说明旋转原理

感应电动机的动作原理可以通过阿拉戈圆盘来进行了解。

  • 阿拉戈圆盘
  • 阿拉戈圆盘转换为感应电动机

将阿拉戈圆盘转换为感应电动机

将阿拉戈圆盘中的部件转换为感应电动机结构时,阿拉戈圆盘中磁石的旋转相当于定子形成的旋转磁场,铜板相当于转子。

将阿拉戈圆盘转换为感应电动机
将阿拉戈圆盘转换为感应电动机

转子是通过使用铝和铁制成的笼型转子,以高效地提取旋转力。

篮子型转子
笼型转子

关于旋转磁场

以下以2极电动机的定子为例,说明旋转磁场的样子。
感应电动机有主线圈和辅助线圈两个绕组。

2极电动机的定子
2极电动机的定子

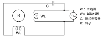
在实际使用单相电源的感应电动机中,以下是连接方式。

电动机电容器电源的连接

主线圈直接流过电源的电流,辅助线圈经过电容器流过电流。
此时,流经辅助线圈的电流相对于相位落后90度的主线圈电流的波形。

旋转磁场
旋转磁场

在①~④的各个时刻,定子将按照右手螺旋定则生成上图所示的磁极。随着时间的推移从①到④,可以看到,最初在3点钟位置的N极,依次移动到3点→6点→9点→12点,就像时钟方向旋转一样变化。
这就是定子产生的旋转磁场。

现在考虑如果连接电容器的辅助线圈没有电流的情况。此时,上图中的②和④的状态将不存在,而是从①直接变为③。N极的位置从3点变为9点,变化了180度,看起来磁极似乎在旋转了,但是无法确定它是顺时针还是逆时针方向旋转。
因此,在单相电源运行的情况下,我们使用电容器来产生相位差的电流,从而产生确定方向的旋转磁场。

在使用三相电源运行电动机的情况下,不需要启动电容器。
这是因为三相电源本身就具有相位差的波形。

三相电源波形
三相电源波形