Q.NETC01-CC与RS-485通信适配产品在使用。C-DAT未亮(通信未建立)。原因是什么?

A.

通信失败的原因可能是以下两点。

  1. 通信电缆线未连接、接触不良、断线、误接线
  2. NETC01-CC的“连接(号机编号)”参数未设置为“有效”(初始值为“无效”)

    “连接(号机编号)”参数的设定方法有三种。这里分别介绍将0号机的连接设置为有效的情况。

    从CC-Link上更改网络转换器的参数

将系统参数“连接(号机编号0)(1D80h)”写入遥控寄存器。

  1. 地址No. 内容 输入值
    RWwnC 命令代码 1D80h
    RWwnD 号机编号 80h
    RWwnE 数据(低位) 1
    RWwnF 数据(高位) 0
    命令代码 参数名 设置范围
    1D80h 连接(号机编号0) 0:无效
    1:有效
    • ※ 当命令的目标为NETC01-CC时,号机编号设置为128(80h)。

将D-REQ(命令执行请求)设置为ON,并将数据写入驱动器。确认数据已正确写入后,将D-REQ设置为OFF。

将维护命令“NV存储器全部写入(3E85h)”写入遥控寄存器。(NV内存的写入次数约为10万次。)

  1. 地址No. 内容 输入值
    RWwnC 命令代码 3E85h
    RWwnD 号机编号 80h
    RWwnE 数据(低位) 1
    RWwnF 数据(高位) 0
    命令代码 参数名 设置范围
    3E85h NV内存
    批量写入
    1:执行
    • ※ 当命令的目标为NETC01-CC时,号机编号设置为128(80h)。

将D-REQ(命令执行请求)设置为ON。确认数据已正确写入后,将D-REQ设置为OFF。

重新启动NETC01-CC的电源。

  1. 有关参数的详细Information和命令的执行方法,请参阅NETC01-CC用户手册
    确认遥控寄存器和遥控I/O时,技术支援工具“NETC01-CC用地址计算”很方便。

    使用支援软件MEXE02进行更改的情况

将连接到NETC01-CC的驱动器的号机编号设置为“有效”。

执行数据写入(PC → 产品)。

重新启动NETC01-CC的电源。

  1. MEXE02设置画面

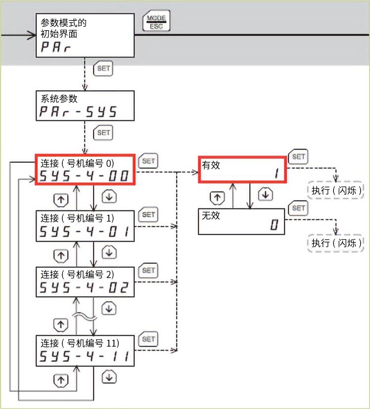
    使用数据设定器OPX-2A进行更改的情况

按照下述屏幕转换图,将“SYS-4-00”设置为“1(有效)”,并按下【SET(执行)】。

重新启动NETC01-CC的电源。

  1. OPX-2转换图

产品类型: 无刷电动机、αSTEP・步进电动机、网络对应产品・控制器、电动传动装置
机型、系列: BLE系列、BLV系列、AZ系列、AR系列、RKⅡ系列、CRK系列、NETC01-CC、电动传动装置 搭载AZ系列、电动传动装置 搭载AR系列
内容: 使用方法・设定方法、异常・问题
FAQ No: 569

这篇常见问题解答对您有帮助吗?

如果您有其他意见或建议,请在此填写

验证码计算: