配线支持机器 再生电阻

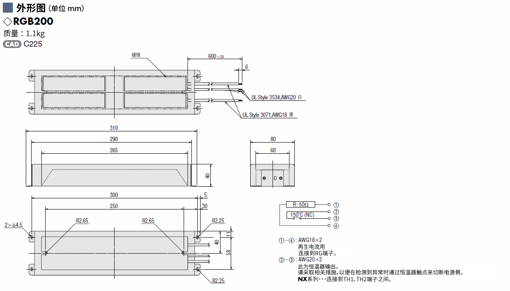
RGB200

RGB200

再生电阻

スクロールできます
产品类别 规格型号 交货期 未税定价(RMB) 未税折扣单价(RMB)
再生电阻 RGB200 14个工作日 915.00 824.00
数量: (PCS)
数量: (PCS)
• 交货期从我司收到货款并安排下订后开始计算(当日14:00截止下订,逾时顺延1个工作日)。详细请点击此处。
说明 进行上下驱动或大惯性驱动时,与驱动器连接,再生电力以热能量形式释放。

规格

外形图

再生电阻
再生电阻

再生电阻

资料下载

资料下载

本产品和电缆线·配件

close
close
close
close
close