步进电动机 PKP系列/PK系列(2相)
PKP213D05A
スクロールできます
| 产品类别 | 规格型号 | 交货期 | 未税定价(RMB) | 未税折扣单价(RMB) | |
|---|---|---|---|---|---|
| 电动机 | PKP213D05A | 2个工作日 | 431.00 | 388.00 | |
| 数量: (PCS) | |||||
数量:
(PCS)
• 交货期从我司收到货款并安排下订后开始计算(当日14:00截止下订,逾时顺延1个工作日)。详细请点击此处。
附属品
- 电动机: 无
规格
特性
外形图
资料下载
其他规格
一般规格
| 规格 | 电动机部分 | |
|---|---|---|
| 耐热等级 | 130(B) | |
| 绝缘电阻 | 在常温常湿条件下,使用DC500V兆欧表(PKP203使用DC100V兆欧表)测量电动机线圈和机壳之间的值,其绝缘电阻在100MΩ以上。 | |
| 绝缘耐压 |
在常温常湿条件下,按照以下条件对电动机线圈和机壳之间施加电压1分钟,未发现异常。
|
|
| 使用环境(运行时) | 环境温度 | −10~+50℃(无结冰),薄型类型带谐波减速机的是 0~+40℃(无结冰) |
| 环境湿度 | 85%以下(无结露) | |
| 环境 | 无腐蚀性气体、尘埃。水、油等不得直接接触。 | |
| 温度上升 | 线圈温度上升在80℃以下(根据我公司的测量条件) | |
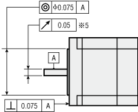
| 静态角度误差※1 | ±3分(±0.05°) [PKP21□、PKP242、PKP262是±5分(±0.083°), PK26□J、PK26□JD是±2分(±0.034°)] |
|
| 转轴振幅 | 0.05T.I.R.(mm)※4 ※5 | |
| 径向间隙※2 | 0.025mm Max(负载5N) [PKP203是负载2.5N] |
|
| 轴向间隙※3 | 0.075mm Max(负载10N) [PKP203・PKP21□是负载1N、PKP22□・PKP242・PKP262是负载2.5N] |
|
| 安装孔对轴的同心度 | 0.075T.I.R.(mm)※4 | |
| 安装面对轴的垂直度 | 0.075T.I.R.(mm)※4 | |
- ※1
- 全步进、无负载时的值(根据负载大小而变化)。
- ※2
- 径向间隙:在电动机轴端部垂直方向施加5N负载(PKP203施加2.5N负载)时,轴的径向位置的变化量。
- ※3
- 轴向间隙:在电动机轴上施加10N轴向负载(PKP203・PKP21□施加1N负载、PKP22□・PKP242・PKP262施加2.5N负载)时,轴的轴向位置的变化量。
- ※4
- T.I.R.(Total Indicator Reading):以基准轴线为中心,将测量部分旋转一周时,表盘指示针的读数总量。
- ※5
- PKP244P是0.025T.I.R.(mm)
注意
- 进行绝缘电阻测量、绝缘耐压测试时,请将电动机与驱动器分开。
此外,请不要对这些测试进行电动机的编码器部分。
容许径向负载・容许轴向负载
单位 =N
| 类型名 | 电动机安装尺寸 | 电动机部件名称 | 减速比 | 容许径向负载 | 容许轴向负载 | ||||
|---|---|---|---|---|---|---|---|---|---|
| 从轴端开始的距离 mm | |||||||||
| 0 | 5 | 10 | 15 | 20 | |||||
| 高分辨率类型 / 高分辨率类型 带编码器 / 高分辨率类型 带电磁制动 |
42mm | PKP243、PKP244、PKP544、PKP546 | - | 20 | 25 | 34 | 52 | - | 10 |
| 56.4mm | PKP264、PKP266、PKP268 | 54 | 67 | 89 | 130 | - | 20 | ||
| 60mm | PKP564、PKP566、PKP569 | 90 | 100 | 130 | 180 | 270 | 20 | ||
| 标准类型 / 标准类型 带编码器 / 标准类型 带电磁制动 |
20mm | PKP213、PKP214 | 12 | 15 | - | - | - | 3 | |
| 28mm | PKP223、PKP224、PKP225、PKP523、 PKP525 |
25 | 34 | 52 | - | - | 5 | ||
| 35mm | PKP233、PKP235 | 20 | 25 | 34 | 52 | - | 10 | ||
| 42mm | PKP243、PKP244、PKP245、PKP246、 PKP544、PKP546 |
20 | 25 | 34 | 52 | - | 10 | ||
| 50mm | PK256、PK258 | 54 | 67 | 89 | 130 | - | 20 | ||
| 56.4mm | PKP264、PKP266、PKP268 | 61 | 73 | 90 | 110 | 160 | 20 | ||
| 60mm | PKP564、PKP566、PKP569 | 63 | 75 | 95 | 130 | 190 | 20 | ||
| PKP262 | 20 | 25 | 34 | - | - | 5 | |||
| PK264J、PK266J、PK267J、PK269J | 50 | 60 | 75 | 100 | 150 | 20 | |||
| 85mm | PK296、PK299、PK2913、PKP296、 PKP299、PKP2913 |
260 | 290 | 340 | 390 | 480 | 60 | ||
| SH 减速机型 | 28mm | PKP223 | 7.2、9、10、18、36 | 15 | 17 | 20 | 23 | - | 10 |
| 42mm | PKP243 | 3.6、7.2、9、10、18、36 | 10 | 15 | 20 | 30 | - | 15 | |
| 60mm | PKP264 | 3.6、7.2、9、10 | 30 | 40 | 50 | 60 | 70 | 30 | |
| 18、36 | 80 | 100 | 120 | 140 | 160 | ||||
| 90mm | PK296 | 3.6、7.2、9、10、18、36 | 220 | 250 | 300 | 350 | 400 | 100 | |
旋转方向
从输出轴侧观察的旋转方向。
标准类型的电动机输出轴相对于齿轮输出轴的旋转方向,根据减速机型和减速比的不同而有所不同。请参考下表。
| 类型名 | 减速比 | 从电动机输出轴侧 观察的旋转方向 |
|---|---|---|
| TS减速机型 | 3.6、7.2、10 | 同方向 |
| 20、30 | 逆方向 | |
| TH减速机型 安装角尺寸28mm |
7.2、10 | 逆方向 |
| 20、30 | 同方向 | |
| TH减速机型 安装角尺寸42mm、60mm、90mm |
3.6、7.2、10 | 同方向 |
| 20、30 | 逆方向 | |
| SH减速机型 安装角尺寸28mm |
7.2、36 | 同方向 |
| 9、10、18 | 逆方向 | |
| SH减速机型 安装角尺寸42mm、60mm |
3.6、7.2、9、10 | 同方向 |
| 18、36 | 逆方向 | |
| SH减速机型 安装角尺寸90mm |
3.6、7.2、9、10、18 | 同方向 |
| 36 | 逆方向 | |
| CS减速机型 | 5、10、15、20 | 同方向 |
|
FC减速机型 PS减速机型 PN减速机型 HPG减速机型 |
所有减速比 | 同方向 |
| 谐波减速机型 | 50、100 | 逆方向 |
电动机内部接线图
单极6芯引线
单极5芯引线
双极4芯引线
安全规格
系统构成

电缆线·配件
勾选后, 电缆线·配件可以一并加入购物车
本产品和电缆线·配件
close
close
close
close
close
close


