其他配件 离心式风扇用安装底座
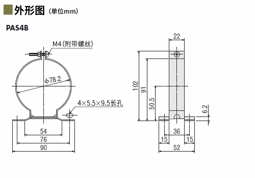
PAS4B

离心式风扇用安装底座
スクロールできます
| 产品类别 | 规格型号 | 交货期 | 未税定价(RMB) | 未税折扣单价(RMB) | |
|---|---|---|---|---|---|
| 离心式风扇用安装底座 | PAS4B | 2个工作日 | 60.00 | 54.00 | |
| 数量: (PCS) | |||||
数量:
(PCS)
• 交货期从我司收到货款并安排下订后开始计算(当日14:00截止下订,逾时顺延1个工作日)。详细请点击此处。
| 说明 | 材质:钢板 颜色: 深灰 |
|---|
规格
外形图
资料下载
安全规格
本产品和电缆线·配件
close
close
close
close
close