安装底座 电动机安装底座
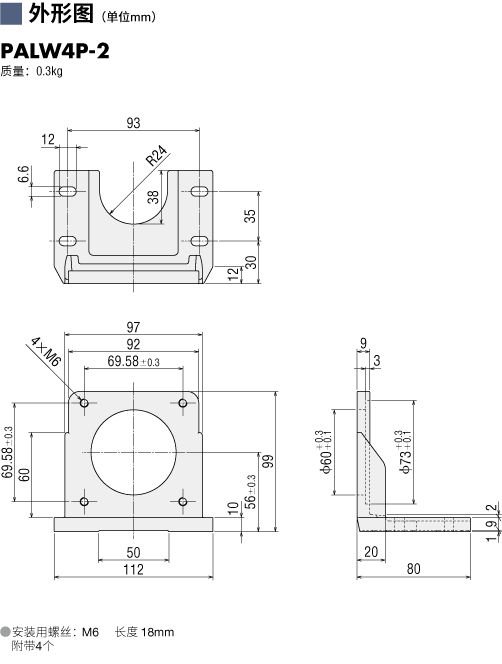
PALW4P-2

电动机安装底座
スクロールできます
| 产品类别 | 规格型号 | 交货期 | 未税定价(RMB) | 未税折扣单价(RMB) | |
|---|---|---|---|---|---|
| 电动机安装底座 | PALW4P-2 | 15个工作日 | 138.00 | 124.00 | |
| 数量: (PCS) | |||||
数量:
(PCS)
• 交货期从我司收到货款并安排下订后开始计算(当日14:00截止下订,逾时顺延1个工作日)。详细请点击此处。
| 说明 | 安装尺寸85 mm电动机用 L型底座。 |
|---|
附属品
- 电动机用安装螺丝: 4个
规格
外形图
资料下载
本产品和电缆线·配件
close
close
close
close
close