中空旋转式传动装置 DGII系列
DGN200R2-18

传动装置
スクロールできます
| 产品类别 | 规格型号 | 交货期 | 未税定价(RMB) | 未税折扣单价(RMB) | |
|---|---|---|---|---|---|
| 传动装置 | DGN200R2-18 | 19个工作日 | 15,443.00 | 13,899.00 | |
| 数量: (PCS) | |||||
数量:
(PCS)
• 关于本产品的订购请洽询。
附属品
- 传动装置: 无
规格
特性
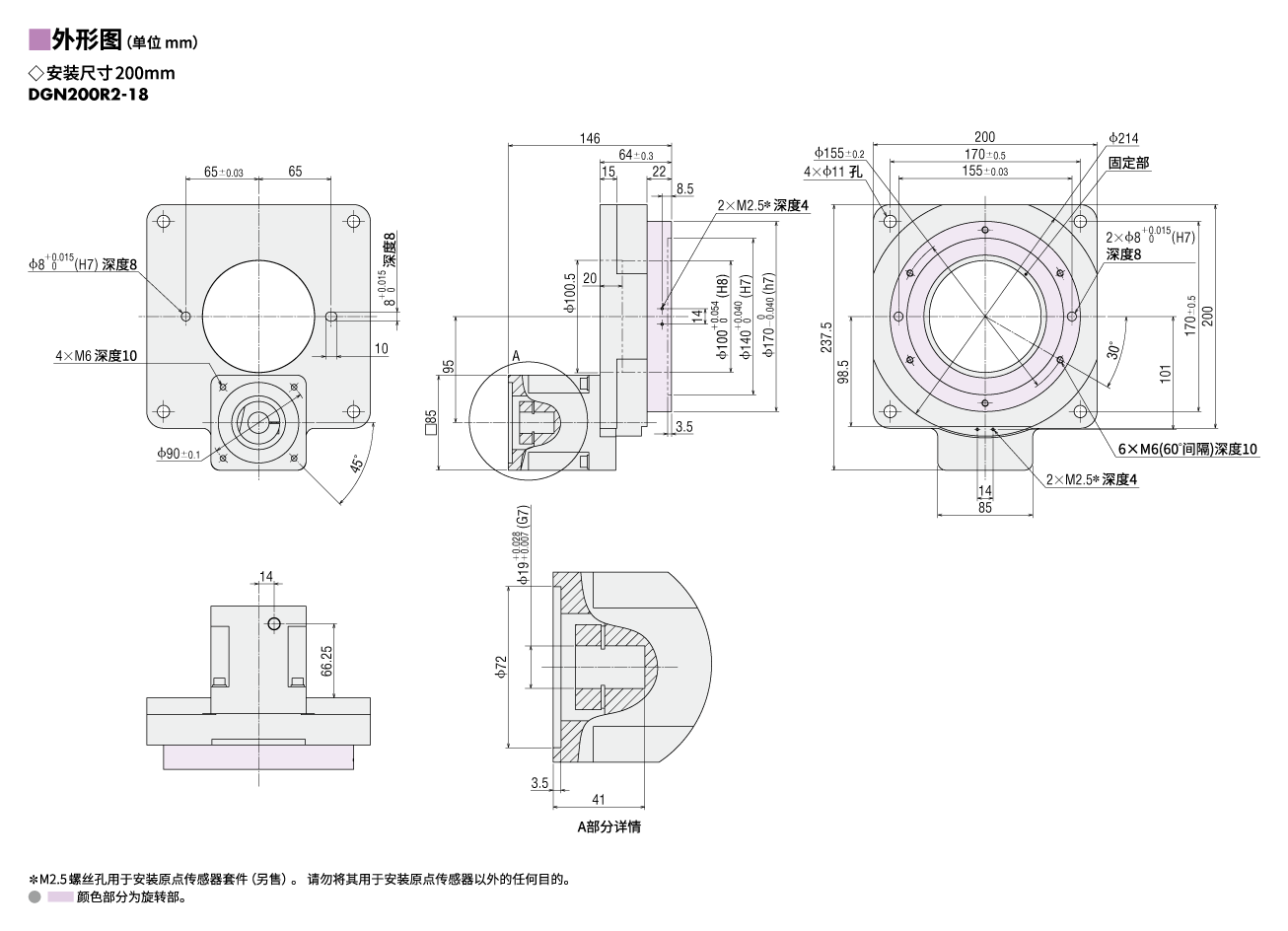
外形图
资料下载
其他规格
传动装置部 一般规格
| 项目 | 规格 | |
|---|---|---|
| 使用环境(运行时) | 环境温度 | 0 ∼ +40 ℃(无结冰)※ |
| 环境湿度 | 85%以下(无结露) | |
| 环境 | 无腐蚀性气体、尘埃。不受水、油等直接接触。 | |
- ※ 基于我公司的测量条件
旋转方向
输出轴的旋转方向相反的方向,表格会旋转。
安全规格
本产品和电缆线·配件
close
close
close
close
close
close
close
close
close