电缆线 带电磁制动用电缆线套件
CC050VZFB

带电磁制动用电缆线套件
スクロールできます
| 产品类别 | 规格型号 | 交货期 | 未税定价(RMB) | 未税折扣单价(RMB) | |
|---|---|---|---|---|---|
| 带电磁制动用电缆线套件 | CC050VZFB | 2个工作日 | 879.00 | 791.00 | |
| 数量: (PCS) | |||||
数量:
(PCS)
• 交货期从我司收到货款并安排下订后开始计算(当日14:00截止下订,逾时顺延1个工作日)。详细请点击此处。
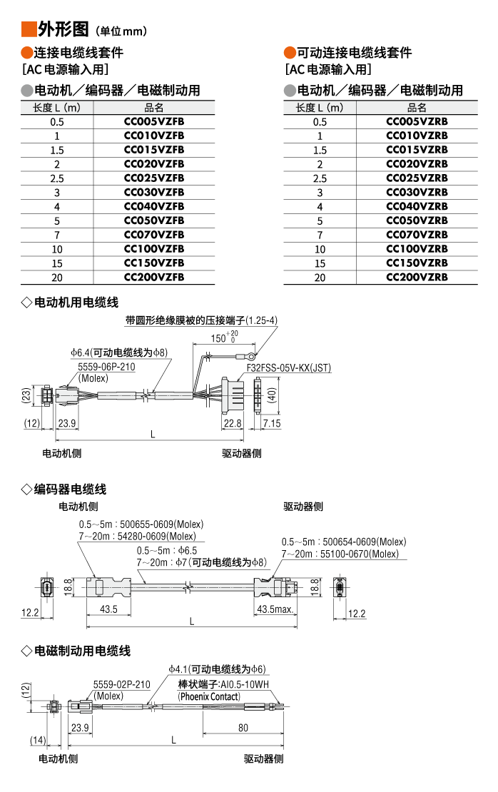
| 说明 | 电动机与驱动器间连接时必需的电动机用电缆线、电磁制动用电缆线套件。长度5 m |
|---|
规格
外形图
安全规格
本产品和电缆线·配件
close
close
close
close
close