其他配件 蜗减速机
AGW2G20H-B

蜗轮蜗杆减速机
スクロールできます
| 产品类别 | 规格型号 | 交货期 | 未税定价(RMB) | 未税折扣单价(RMB) | |
|---|---|---|---|---|---|
| 蜗轮蜗杆减速机 | AGW2G20H-B | 19个工作日 | 2,484.00 | 2,236.00 | |
| 数量: (PCS) | |||||
数量:
(PCS)
• 交货期从我司收到货款并安排下订后开始计算(当日14:00截止下订,逾时顺延1个工作日)。详细请点击此处。
| 说明 | 可与配备平行轴减速机、安装尺寸为60mm的30W无刷电动机组合使用。 |
|---|
附属品
- 减速机: 平行键、安全盖
规格
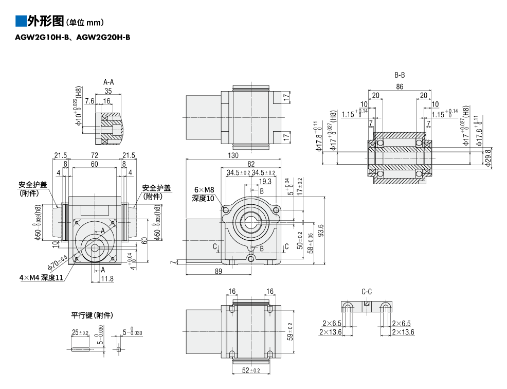
外形图
资料下载
其他规格
一般规格
| 使用环境 | 环境温度:0※ ~ +50 ℃(无结冰) 环境湿度:85 %以下(无结露) 海拔 :海拔1000 m以下 环境 :无腐蚀性气体、尘埃。水、油不直接接触。 |
|---|---|
| 存放环境 搬运环境 |
环境温度:-20 ~ +70 ℃(无结冰) 环境湿度:85 %以下(无结露) 海拔 :海拔3000 m以下 环境 :无腐蚀性气体、尘埃。水、油不直接接触。 |
- ※ 以下组合的使用环境温度下限值为+10℃。
- 平行轴减速机:减速比5
- 蜗活塞杆减速机:减速比10
传动效率
| 品名 | 电动机输出轴的转速 | 组合减速比 | ||||
|---|---|---|---|---|---|---|
| 5 | 10 | 15 | 20 | 30 | ||
| AGW2G10H-B | 2 r/min∼ | 44% | 55% | 60% | ||
| 3000 r/min | ||||||
| 4000 r/min | 32% | |||||
| AGW2G20H-B | 2 r/min∼ | 32% | 37% | 40% | ー | |
| 3000 r/min | ||||||
| 4000 r/min | 29% | |||||
注意事项
- • 上述表格中的传动效率是在常温时的值。周围温度的变化会影响减速机的传动效率。
- 在低温环境下使用时,请注意,传动效率可能会降低,从而导致输出转矩变小。
减速机的容许径向负载的计算
如下图所示,当负载轴的一侧不被轴承模组等支撑时,容许径向负载的计算公式如下。
(这种结构是在径向负载面上最严苛的状态。)
安全规格
本产品和电缆线·配件
close
close
close
close
close