支援工具 I/O转换工具 SPT-C01

  品名 适用产品
替换前 替换后
I/O转换工具 SPT-C01
SPT-C01 ARL系列 脉冲序列输入型 
AS系列 脉冲序列输入型
AIP系列(DiMER)
AR系列 AC电源输入
脉冲序列输入型
ASC系列 AR系列 DC电源输入
脉冲序列输入型
  • ※ 请确认适用产品的品名如下

概要

I/O转换工具 SPT-C01是用于将ARL/AS/ASC/AIP系列 脉冲序列输入型转换为AR系列 脉冲序列输入型的支援工具。

  • 上位控制器与驱动器之间的连接用电缆线无需变更即可使用。
  • 无需变更上位控制器的程序。
产品特征

注意事项

使用SPT-C01时有以下限制。

  • 请注意,AR 系列的外形和特性与目前使用的产品不同。
  • SPT-C01 无法用于源输出控制器。
  • 上位控制器与驱动器的输入输出信号用GND必须是共通的,或者能够设置为共通。
    使用 SPT-C01 时,各产品的 GND 会相互连接。
  • 无法使用开路集电极的A相输出、B相输出。
  • 更换前的产品所不具备的功能(AR系列特有的功能)将无法使用。(例如:电磁制动的自动控制功能等)
  • 使用 SPT-C01 时,请确保符合相关法规和标准。

适用产品

适用产品

资料

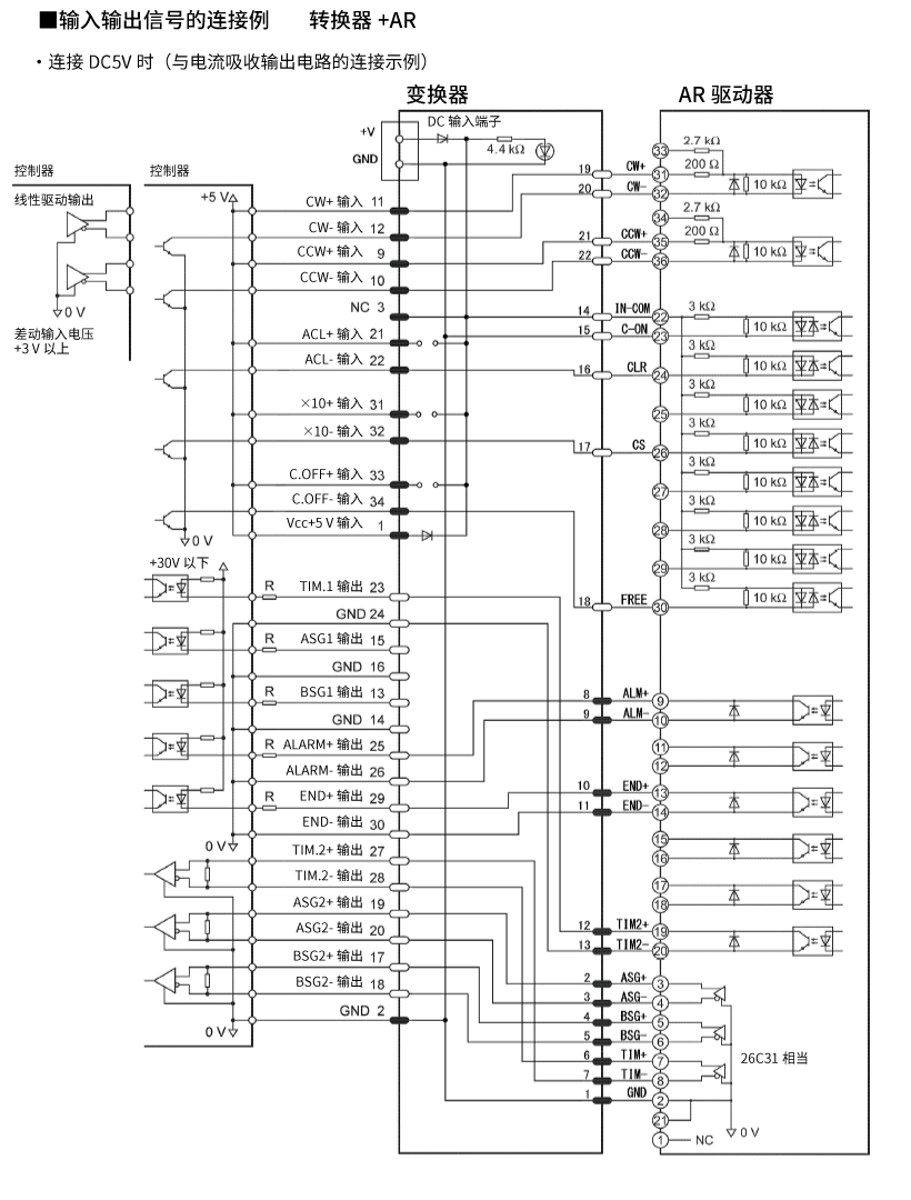
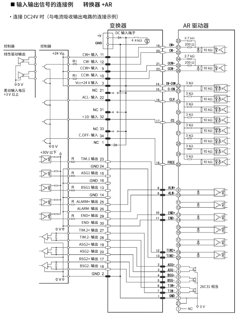
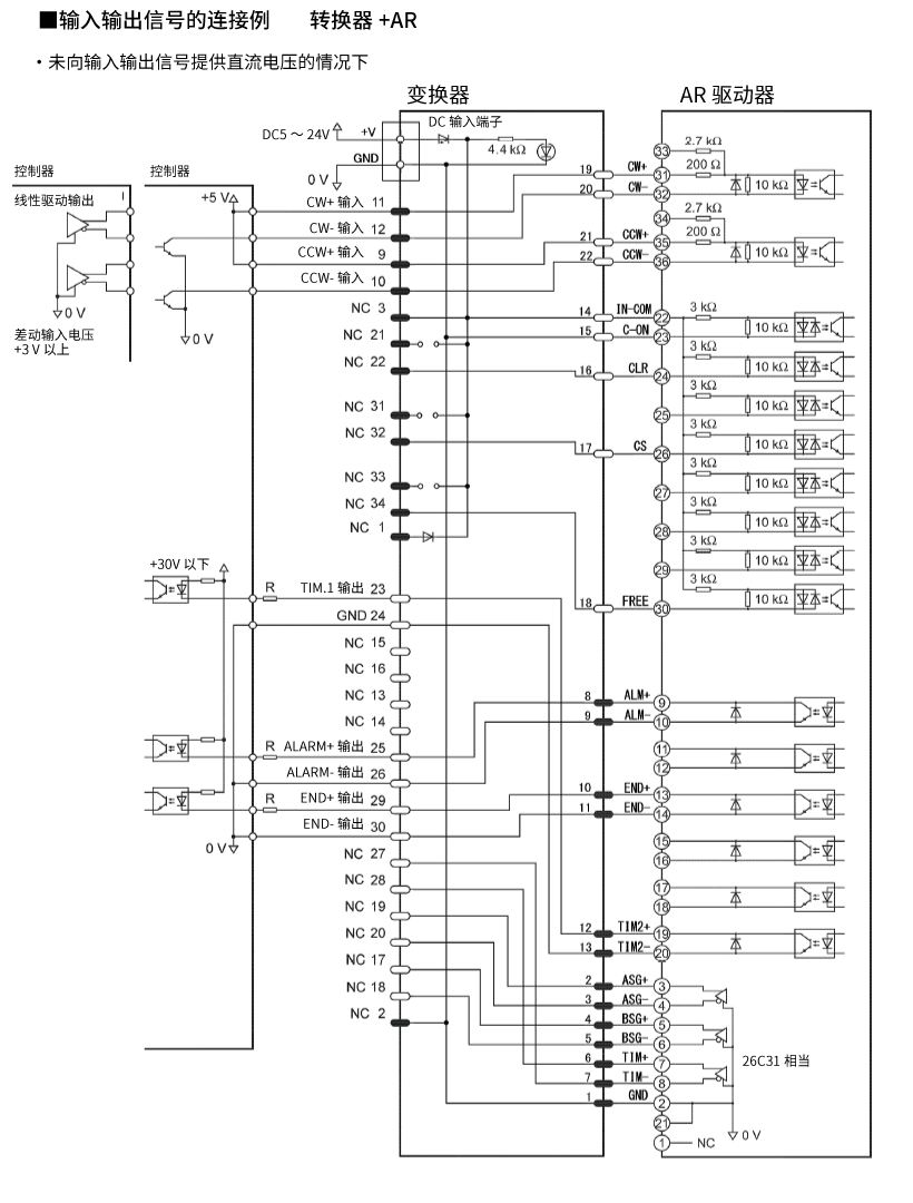
输入输出信号的连接示例

外形图 (单位 mm)

外形图

安装转换板指南

  • 我们还提供安装转换板“SPT-M01SPT-M03”,可将 AR 系列驱动器直接安装在旧产品拆除后的位置。
  • 如果您对更换有任何疑问,请联系“咨询中心”。
 
与DC24V连接时
 
与DC5V连接时
 
未对输入输出信号供应DC电源时