单极驱动和双极驱动
课题
单极驱动和双极驱动有何差异?
概要:驱动方式与2相步进电动机类型
■驱动器驱动电路

按照流过线圈的电流方向,将定子主极切换到N极和S极的方法有2种:
①改变线圈中的电流方向的方法,因具有2 种电流方向而称为双极驱动方式;
②分别准备N极用线圈和S极用线圈的方法,因各个线圈中电流只会单方向流动,因此称为单极驱动方式。
■2相步进电动机的电动机类型与内部接线

2相步进电动机的导线根数分为4、5、6、8 根共4种, 左图为2相步进电动机的内部接线:
①4根导线的电动机为双极驱动方式专用;
②5根导线的电动机为单极驱动方式专用;
③6根导线的电动机是作为单极驱动方式而制造的产品。也可以将接头(A 相侧的黄色、B 相侧的白色)实施绝缘,使用两端的端子,在双极驱动方式下使用;
④8根导线的电动机支持3 种驱动方式,将各个线圈的其中一个连接到电源的单极驱动、将线圈串联使用的串联双极驱动、将线圈并联使用的并联双极驱动。
对比:不同驱动方式与接线方式的转速-转矩特性差异
单极驱动和双极驱动下,线圈的使用率不同,因此,转速-转矩差异较大。
此外,串联双极相对并联双极来说存在4 倍的阻抗,因此高速转矩的下降差异相对较大。
以下为不同接线方式的转速-转矩特性对比:


科普:单极驱动与双极驱动
■单极驱动

单极驱动方式是先将其中一个晶体管设为ON,再切换线圈的方式,电动机线圈1相仅需2个晶体管。
特征:励磁电流按一个方向流动,回路构成简单,常被广泛设计使用。
优点:回路构成简单。
缺点:2相励磁方式时,只能使用电动机的一半线圈,并不能充分发挥电动机的特性。

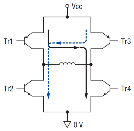
■双极驱动

双极驱动方式是按相分别设计全桥式电路的方法。1和4晶体管变成ON 时,电流朝实线方向流动。2和3晶体管变成ON 时,电流朝虚线方向流动。电动机线圈1相需4个晶体管。
特征:励磁电流以正、负两个方向流动,使线圈得到更有效的使用。
优点:
①和单极驱动相比,低速时输出转矩更大;
②线圈相数是单极驱动的一半,由线圈差异造成的角度误差减小。
缺点:
①线圈数量增加1倍,因此时间常数增加,高速时输出转矩下降;
②每1相需要4个晶体管,电路相对昂贵,驱动器成本高。
类型:根据内部的接线方式,双极驱动(参考8根导线产品)可分为以下三种情况:

亮点:2相步进电动机驱动器CVD系列
CVD系列是DC电源输入的双极驱动器,
进一步追求低振动、低噪音、高转矩,提高性能。
可在广泛速度、转矩领域内搭配合适规格的电动机,为解决客户的课题而做出贡献。
相关产品
注意:
本资料仅供参考。选购前请仔细确认设备需求和产品规格。
如需帮助,请洽询本公司客户咨询中心(电话:400-820-6516)。
这篇解决方案对您有帮助吗?
如果您有其他意见或建议,请在此填写
- ※请注意,我们将不会针对您填写的内容进行个别回复。
验证码计算:

